2x18m 米 天桥 旋转梯坡道 - 【人行天桥】 - 道桥网-桥梁之家—打造桥梁行业最大、最专业的桥梁资料和技术交流基地!道桥之家网! - daoqiao.net
论坛
版块
喜欢
话题
应用
桥梁之家资料站
软件资料站
搜索
登录
注册
首页
>
桥梁图纸
>
【人行天桥】
>
2x18m 米 天桥 旋转梯坡道
回复
« 返回列表
backformer
管理员
金币
77129枚
威望
446点
贡献值
428点
桥币
218个
RMB
15520元
加关注
写私信
阅读:
5365
回复:
4
2x18m 米 天桥 旋转梯坡道
楼主
#
更多
只看楼主
倒序阅读
发布于:2012-08-21 09:54
保存
2x18m 米 天桥 旋转梯坡道
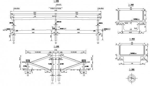
图片:未命名.jpg
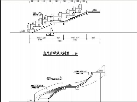
图片:未命名1.jpg
附件名称/大小
下载次数
最后更新
天桥、梯道.rar
(14393KB)
839
2012-08-21 09:54
喜欢
0
最新喜欢:
1、不要问论坛能为你做什么,而要问你为论坛做了什么; 2、一个好的站点是靠大家的努力建成的,懒于回答别人的人也不会得到别人的回答; 3、如果你发现你论坛金币不够,下载不了东西,那就证明你很不地道,从来不知道奉献,只懂得索取。
回复
gxdxtmlq
桥梁总工
金币
1251枚
威望
212点
贡献值
243点
桥币
248个
RMB
0元
加关注
写私信
1楼
#
发布于:2012-08-22 06:52
谢谢共享!!!
回复
(0)
喜欢
(
0
)
mail333
桥梁正高
金币
648枚
威望
0点
贡献值
0点
桥币
0个
RMB
0元
加关注
写私信
2楼
#
发布于:2012-08-23 00:14
好,呵呵
回复
(0)
喜欢
(
0
)
phantomfox
桥梁正高
金币
582枚
威望
1点
贡献值
1点
桥币
0个
RMB
0元
加关注
写私信
3楼
#
发布于:2012-08-25 11:34
挺好看的~~~学习学习~~~~
回复
(0)
喜欢
(
0
)
nanjingyu
桥梁正高
金币
36枚
威望
0点
贡献值
20点
桥币
0个
RMB
0元
加关注
写私信
4楼
#
发布于:2012-08-27 09:23
这个很好看
回复
(0)
喜欢
(
0
)
发帖
回复
« 返回列表
普通帖
您需要登录后才可以回帖,
登录
或者
注册
返回顶部
关闭
最新喜欢