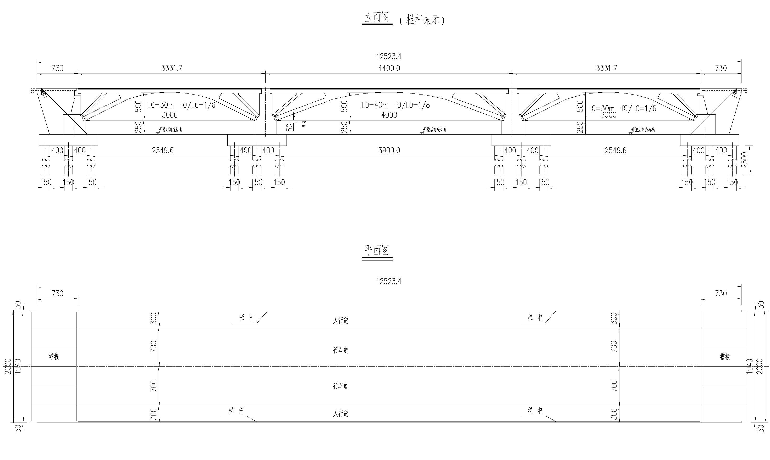
30+40+30--拱桥施工图 - 【拱桥图纸】 - 第3页 - 道桥网-桥梁之家—打造桥梁行业最大、最专业的桥梁资料和技术交流基地!道桥之家网! - daoqiao.net
zhangdan195
桥梁新手
桥梁新手
  • 金币10枚
  • 威望0点
  • 贡献值0点
  • 桥币0个
  • RMB0元
20楼#
发布于:2010-10-15 10:02
good
lyz1971
桥梁副高
桥梁副高
  • 金币218枚
  • 威望0点
  • 贡献值20点
  • 桥币0个
  • RMB0元
21楼#
发布于:2010-10-20 16:13
看看
学习学习再学习
njhz6636
桥梁新手
桥梁新手
  • 金币14枚
  • 威望0点
  • 贡献值0点
  • 桥币0个
  • RMB0元
22楼#
发布于:2010-12-23 09:47
图纸很好,谢谢楼主!
daolu2008
桥梁副高
桥梁副高
  • 金币1559枚
  • 威望0点
  • 贡献值19点
  • 桥币0个
  • RMB0元
23楼#
发布于:2010-12-23 21:44
谢谢楼主
cgndxyh
桥梁新手
桥梁新手
  • 金币0枚
  • 威望0点
  • 贡献值1点
  • 桥币0个
  • RMB0元
24楼#
发布于:2011-02-14 09:25
谢谢
呵呵1979
桥梁工程师
桥梁工程师
  • 金币169枚
  • 威望0点
  • 贡献值0点
  • 桥币0个
  • RMB0元
25楼#
发布于:2011-03-30 00:04
看看
loupoo
桥梁工程师
桥梁工程师
  • 金币74枚
  • 威望0点
  • 贡献值4点
  • 桥币0个
  • RMB0元
26楼#
发布于:2011-04-19 17:32
借来看一看,不知道是什么形式的拱桥
hkclccf
桥梁副高
桥梁副高
  • 金币972枚
  • 威望164点
  • 贡献值103点
  • 桥币78个
  • RMB0元
  • 社区居民
27楼#
发布于:2011-09-04 22:20
刚架拱,没有多大的参考价值
nanjingyu
桥梁正高
桥梁正高
  • 金币36枚
  • 威望0点
  • 贡献值20点
  • 桥币0个
  • RMB0元
28楼#
发布于:2012-12-12 09:24
很好的图纸,感谢楼主

图片:桥型布置图一.dwg 标准图框 (1).jpg

图片:桥型布置图一.dwg 标准图框 (1).jpg

heishazi
桥梁正高
桥梁正高
  • 金币240165枚
  • 威望0点
  • 贡献值20点
  • 桥币0个
  • RMB0元
29楼#
发布于:2016-01-29 21:21
说下桥名吧,是东城景观拱桥施工图吗
上一页 下一页
游客


返回顶部