(40+60+60+60+40)连续梁 - 【vip图纸版块】 - 道桥网-桥梁之家—打造桥梁行业最大、最专业的桥梁资料和技术交流基地!道桥之家网! - daoqiao.net
论坛
版块
喜欢
话题
应用
桥梁之家资料站
软件资料站
搜索
登录
注册
首页
>
桥梁图纸
>
【vip图纸版块】
>
(40+60+60+60+40)连续梁
回复
« 返回列表
backformer
管理员
金币
77129枚
威望
446点
贡献值
428点
桥币
218个
RMB
15520元
加关注
写私信
阅读:
7241
回复:
0
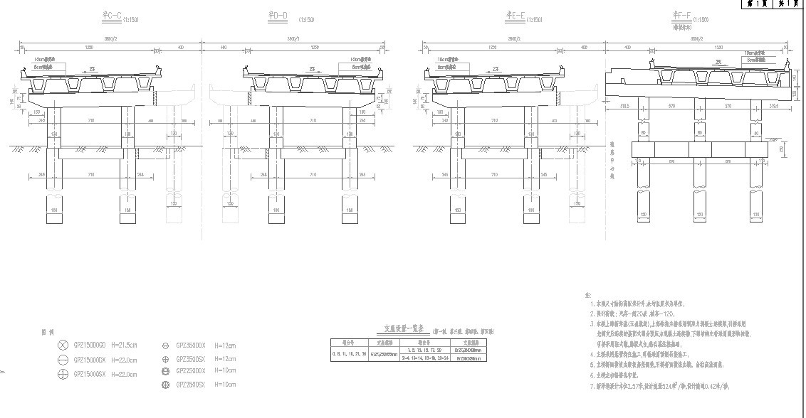
(40+60+60+60+40)连续梁
楼主
#
更多
只看楼主
倒序阅读
发布于:2013-05-29 17:58
保存
汽超20
图片:未命名.jpg
附件名称/大小
下载次数
最后更新
(40+60+60+60+40)连续梁.rar
(6759KB)
5
2013-05-29 17:58
喜欢
0
最新喜欢:
1、不要问论坛能为你做什么,而要问你为论坛做了什么; 2、一个好的站点是靠大家的努力建成的,懒于回答别人的人也不会得到别人的回答; 3、如果你发现你论坛金币不够,下载不了东西,那就证明你很不地道,从来不知道奉献,只懂得索取。
回复
发帖
回复
« 返回列表
普通帖
您需要登录后才可以回帖,
登录
或者
注册
返回顶部
关闭
最新喜欢